マイコン部
全国大会の表彰式
卒業式のときに全国大会準優勝の表彰式が行われる予定でしたが,コロナウィルス感染拡大防止のため,壇上での表彰を行うことができませんでした。
今回,卒業した後ではありますが,全国大会準優勝という成績を讃え,校長室にて特別表彰式を行いました。
東海大学 Challenge Cup 2020 マイコンカーラリー熊本大会
全国大会
準優勝しました!
Advancedクラスは準優勝、ベスト8。
Basicクラスはベスト16です。
九州地区大会
優勝しました!
熊本県大会
優勝しました!
熊本県大会試走会前日合宿
明日の大会に向けて、最終調整中です。
虹
体育大会が終わり、活動場所が元の部屋に戻ってきました。これで長いストレートからのコーナー進入テストができるようになります。いよいよ大詰めです。
ふと外を見ると、虹がかかってました。1年生と一緒に記念写真!
活動風景
旋盤作業
ギヤにベアリングを埋め込む加工を一手に引き受けている機械科の生徒です。
3Fへの引っ越し
普段活動している場所は、体育大会で使用する看板製作のために明け渡すため、3Fの小部屋へと引っ越しました。
普段の活動
世界一行きたい科学広場in熊本2019
8月8日に標記イベントが東海大学にて行われました。
本校マイコン部からは、「自動走行&自動ブレーキの体験」の実演を行いました。
公式ページより
https://www.u-tokai.ac.jp/about/campus/kumamoto/news/detail/in2019.html
https://www.tokai.ac.jp/news/detail/_in_20193d.html
2019年ルネサスマイコンカーラリー競技会&技術交流会
8月3日(土)に、標記大会が東京で行われ、本校卒業生の池田さんが見事優勝を飾りました!おめでとうございます。
基板の動作チェック
1年生の基板がそろそろ出来上がってきているようです。
上級生による動作確認の様子です。
通称「火入れ式」
不良があると、最悪の場合煙が出ます。緊張の瞬間です。
保護者会総会
この日は保護者会総会でした。
全日程終了後、毎年恒例の部活動見学の様子です。
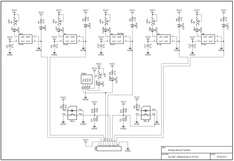
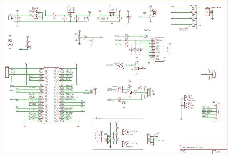
ドライブ基板
センサ基板
2019.4.25
新年度開始!
新入部員も入り、また賑やかになりました。
東海大学 Challenge Cup 2019 マイコンカーラリー熊本大会
標記大会に参加してきました。この大会はマシン調整をする待機場所からコースを見下ろすことができ、予選フリー走行で何度でも走ることができるので、とても面白い大会の一つです。今年で第7回目の開催です。
本校からは高校生の部に14人、一般の部に3人がエントリーしました。しかし、決勝トーナメントに勝ち上がることができるのは、各校から4人までなので、頭上に映し出されているランキング表と睨めっこしながらの駆け引きが繰り広げられます。
結果は、高校生の部Advancedクラス3位、一般の部では今年卒業の池田さんが準優勝でした。ちなみに顧問2人も共に一般の部で3位でした。
公式HPは http://www2.kuma.u-tokai.ac.jp/~tucc/
全国大会
個人ベスト8でした!
課題研究からもBasicクラスに出場しました。
全国大会に向けて
JMCR2019九州地区大会
団体優勝しました!
熊工祭
熊工祭ではマイコンカーの走行実演の他に、
3D-CADと3Dプリンタでネームプレート製作体験や
はんだ付け体験などを実施しました。
JMCR2019熊本県大会
熊本県大会試走後の調整作業
調子が良いものは、すぐに帰るのですが、納得のいかない者は残って調整です。
20:51頃、悲鳴が聞こえてきました。
何事かと思ってみてみると、1年生のギヤが割れていました・・・
時間も時間だし、これはさすがに諦めるかもなと思いながら見ていると、
部長のiさんが持っていた予備のギヤを提供してもらったりと、全く
諦める様子はありません。穴の位置が違うので、ボール盤で空け直す等の
手作業が色々と出てきましたが、それらを淡々とこなしています。
時計の針は11:20を指しています。
心が折れるどころか、苦しい中でも楽しそうに作業をしている様子を見ていると、
将来が頼もしい限りです。
この日は何とか完成し、学校のコースを完走するまでには持っていく事ができました。
結局11:40に帰宅しました。
p.s.
翌日の大会本番では、この車体が安定して好タイムをたたき出しており、
九州大会の切符を手にすることができました。
やはり、ものづくりは「根性」です!
合宿
皆それぞれが気が済むまで調整に励みました。
調子が良い者は早々と19:30にセミナーハウスへ撤収です。
この日の残留組です。時計の針は11:40を指しています。
翌朝のセミナーハウスです。太陽が眩しい清々しい朝です。
この日は夕方の5時まで調整です。
戻ってきました
やはりこの部屋でないと、高速からのコーナー進入といった
挙動の確認ができません。今からが本格的な最終調整段階です。
しかし、すぐに中間考査前1週間となりますので、
練習時間に制約がある中での調整となります。集中が肝要です!
部屋の引っ越し
世界一行きたい科学広場 in 熊本 2018
本校マイコン部も「マイコンカーの自動走行体験」というブースで、マイコンカーの実演走行をしてきました。ただ走行させるだけでなく、超音波センサを付加して、緊急ブレーキを子どもたちに体験してもらいます。自動車のCMのように、好きなタイミングでマイコンカーの前方に障害物を置くと、緊急停止します。障害物を取り除くと再び走り出します。隊列走行の際は、前の車にぶつからないよう、後の車は速度を調整します。
生徒たちは役割分担してよく動いてくれました。おかげで子どもたちにも好評でした。
ポスター
なかなかの力作です。
緊急ブレーキテスト風景
活動風景
・・・やらかしてました。
これをやらかすと、大抵基板が燃えるのですが、
今回は何とか大丈夫だったようです。
猛暑が続いてますが、熊本では久々の夕立が来ました。
内心喜んでいると、この土砂降りの中に買い出しに出かけていた生徒が
帰ってきました。
全身ずぶ濡れです。お疲れ!
リフローハンダ付け
余った基板で位置固定。
ステンシルをピッタリ位置合わせして左側だけを養生テープで固定。
期限切れのTポイントカードでクリームハンダを塗ります。
一度目は寝かせて塗りつけ、2度目は立ててこさぎました。(熊本弁?)
なんかビッチョリしてます。大丈夫でしょうか?
ステンシルと基板の間に隙間ができていたようです。
非常に不安だったので、まずは1個だけ部品を載せて焼いてみました。
所々ブリッジしてますが、ハンダごてで何とか除去できそうだったのでイケると判断。
もう一度別の基板にクリームハンダを塗って、
表面のみ表面実装部品を全部載せました。
焼き上がりの状態です。やはりブリッジがひどいです。
フラックスを塗って、ハンダごてでこさげば(熊本弁?)
綺麗に除去できました。
完成しました。早速火入れ式を行いましたが、
フルカラーLEDの赤のみ点灯しません。
裏面を見てみると、写真のようにパターンが浮いています。
どうやらパターンが浮くほど焼きすぎたのが原因のようです。
表と裏をつなぐビアで接触不良が生じたのでしょうか。
今回は温度管理と時間管理がずさんだったのが最大の反省点です。
焼きすぎるとこうなるということが分かっただけでもヨシとしますが、
工業人としてあるまじき行為ですね。
結局、空中配線で解決しました。
今回、グラフィックLCDを試してみましたが、想像以上に文字が小さいです。
8と0を肝心なところで見間違いそうで怖い。
そしてこれまた想像以上に遅いです。ポートの関係からマイコンのSFRを使用しない
で接続しましたが、全画面に文字表示するのに数秒かかります。
どうにかならないものか、もう少し粘ってみます。
旋盤加工
ギヤにベアリングを埋め込むための穴を加工しています。
ガタもなくベアリングがきっちり収まる良品ができました。
ホットプレート
これでいつでもたこ焼きパーティーができます。
というのは冗談ですが、今回、リフローはんだ付けに挑戦します。
ステンシルは届いたのですが、クリームハンダがまだ到着していないので、作業はお預けです。
活動風景
奥ではCNCによる車体製作も始まっています。
3Dプリンタ
最近調子が悪く、1層目がなかなか貼り付かずに困っていましたが、
スティックのりをステージに塗ってみると、これがバッチリでした。
しかし、かなり強力に貼り付いているので、剥がす時に大変です。
そこで、液体ののりを塗ってみると、フィラメントはきっちり定着して、
剥がす時も剥がしやすいので、こちらの方が良さそうでした。
活動風景
1年生は基板制作の真っ最中。一人ドライブ基板に不具合があり、電源ONで電流計のメータが振り切れる状態です。今日やっと場所の特定ができたので、明日から修復作業に入ります。
また、3Dプリンタもノズルが詰まった状態が続いてましたが、2年生が解決してくれました。復活まであと一歩です。
基板到着!
以前は別色は有料のものが多かったのですが、今はただなので、色々と変えてみました。
コース設置
今回の目玉は、坂を下ったところのS字コーナーです。
ここのタイムアップを目指します。
今日の所は、とりあえず10秒360でした。
科集会に向けての掃除
新しいコースレイアウトの構想もできていますので、次の
コース設置が楽しみです。
新入部員のハンダ付け練習
センサ基板やドライブ基板の製作に入る前に、徹底的に練習します。
生まれて初めて半田ごてを握った生徒もいますので、最初はこんなところでしょう。
新入部員が入りました。
今年は1年生4人、2年生3人を加えて、計19人でスタートします。
熊本県立熊本工業高等学校
〒862-0953
熊本市中央区上京塚町5番1号
(地図)
TEL(全日制)
096-383-2105
TEL(就職)
096ー382-1800
TEL(定時制)
096-383-0310
FAX
096-385-4482
URL:
https://sh.higo.ed.jp/kumakoths/
E-mail:
kumamoto-th@pref.kumamoto.lg.jp
熊本県教育情報システム
登録機関
管理責任者
校長 野崎 康司
運用担当者
HP担当者